Maker.io main logo

Build a Simple 12V Uninterruptible Power Supply

873

2022-02-08 | By Maker.io Staff

License: See Original Project

This article discusses a simple uninterruptible power supply that can come in handy in various ‎situations. The design contains a rechargeable Li-Ion battery, battery protection and charging ‎circuitry, and a 12V step-up module. It features two 12V outputs and a standard full-size USB ‎port for charging all sorts of mobile devices. The battery offers a capacity of 2.2Ah, which should ‎be enough to supply small devices with power for a few hours. However, it’s possible to modify ‎the design to use a larger battery when necessary.‎

finished_1

The finished device has two switchable 12V outputs and a standard 5V USB socket for charging ‎mobile devices.

Bill of Materials

Part/Quantity

project_2

You can build this project with only a handful of components. Note that I originally planned to add ‎diodes,

but I ended up not needing them as the two breakout boards already contain an ‎appropriate protection circuit.‎

This project employs a custom 3D-printed enclosure. Therefore, you’ll also need a 3D printer or ‎access to one. Alternatively, you can order the 3D-printed parts from Digi-Key’s online 3D-‎printing service.‎

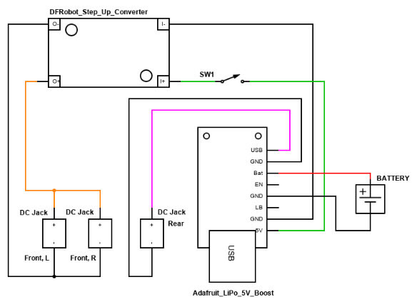
The Schematic Diagram

As mentioned in the introduction, this is a straightforward project suitable for beginners. The ‎design exclusively utilizes easy-to-use breakout boards and simple components:‎

schemeit_3

Here is the schematic diagram for this project. Scheme-It link

As you can see, the charger board is the most vital part of this project. The rear DC input ‎supplies the breakout module with 5V to charge the battery and supply the USB output with ‎power. This Li-Po/Li-Ion charge module includes battery protection features that prevent the cells ‎from getting overcharged or deep-discharged.‎

The battery linked in the BOM comes with a connector that lets you plug it into the charger ‎module without modifying either component. However, as mentioned, you can also use other ‎batteries to extend the runtime of the power supply if you know how to safely work with batteries. ‎Be aware that mishandling Li-Po and Li-Ion cells can end in catastrophic failure of the cell. If you ‎want to use custom cells, attach the battery cells in a parallel configuration to boost the capacity. ‎Connecting the cells in series will increase the overall voltage of the battery pack. However, the ‎charger module is designed to work with 3.7V cells only.‎

I used a custom-made two-cell Li-Ion battery pack. Therefore, I had to connect it to the Bat and ‎GND pins of the charger module. If you use a battery that doesn’t have wires attached, make ‎sure to use thick enough wires. This charger module outputs a charge current of 500mA, but the ‎module can safely deliver up to one Ampere. In addition, you should keep the wires between the ‎battery and the charger module as short as possible. Too long cables will increase the ‎impedance and might even damage the charger in the worst case.‎

Next, the 12V step-up module connects to the 5V and GND pins of the battery charger on one ‎side and then to the output DC jacks on the other.‎

Assembling the Project

When assembling the project, start by attaching wires to the switch and all three DC jacks. It’s up ‎to you how you want to wire the DC jacks. I used a center-positive configuration. Therefore, I ‎attached the +12V wires to the center pin of the output connectors and the GND wire to the outer ‎ring. Once done, snap the connectors and the switch into place and then test-fit all the other ‎components in the 3D-printed enclosure:‎

enclose_4

Test-fit the components in the case to make sure that they all fit.

Note that my battery pack ‎turned out a bit larger than expected, as I designed the case with the battery from the BOM in ‎mind.‎

I added small pegs that securely hold each of the two breakout boards in place. Make sure that ‎the boards fit tightly on the pegs, and they don’t come loose on their own:‎

pegs_5

Push the breakout boards onto their respective holding pegs in the case.

The fit should be tight, ‎but you should still be able to remove each module effortlessly if necessary.

Next, attach the other wires. I recommend you start by attaching all the necessary cables to the ‎charger module. Then, connect the +5V output of the charging module to the switch, and attach ‎the other pole of the switch to the positive input of the 12V step-up module. Next, connect the ‎ground wire coming from the battery charger to the step-up board. Then, attach the front DC ‎output connector wires to the step-up converter module, and connect the rear 5V DC input jack ‎to the battery charger's 5V input pin. Lastly, wire in the battery. Once done, tuck away the cables ‎as best you can:‎

wires_6

Ensure that the wires are not obstructing the two large pegs that hold the two case pieces ‎together.

Also, use heat-shrink tubing to prevent components from shorting out.‎

When everything’s connected, put the lid on the bottom half of the case and use two self-tapping ‎screws to close the enclosure. The screw holes are approximately 3mm in diameter, but I ‎designed the pegs thick enough so that you can effortlessly drill them out to accommodate larger ‎screws.‎

Download the Case Design Files

You can download the case design files for 3D printing here: ‎https://www.thingiverse.com/thing:5207536 ‎

Summary

This straightforward project is perfect for beginners and more experienced makers. The end ‎product is a simple-to-use 12V and 5V uninterruptible power supply that’s great for charging ‎mobile devices should there be a power outage, for example. However, you can also use this ‎versatile device as a hefty power bank and take it on camping trips to power 12V devices. The ‎battery charger module handles most of the tasks in this circuit. It monitors, protects, and ‎charges the battery, and it also supplies a steady 5V output to the full-size USB port at the front. ‎A second module converts this 5V output to 12V and provides the two DC jacks with power.‎

Assembling the device is a quick and easy task. Push the two breakout boards onto their ‎respective pegs in the bottom half of the case. Then, connect all the wires according to the ‎schematic. Lastly, finish the build by joining the two case pieces using self-tapping screws.‎

Mfr Part # 1944
EVAL BOARD FOR TPS61090
Adafruit Industries LLC
12,87 €
View More Details
Mfr Part # DFR0123
EVAL BOARD FOR XL6009
DFRobot
6,45 €
View More Details
Mfr Part # PJ-033A
CONN PWR JACK 2X5.5MM SOLDER
Same Sky (Formerly CUI Devices)
0,43 €
View More Details
Add all DigiKey Parts to Cart
Have questions or comments? Continue the conversation on TechForum, DigiKey's online community and technical resource.